본문 바로가기

[AppBoard]

(23)
[EXP-DSP] TFT LCD관련 자료 [EXP-DSP] TFT LCD관련 자료 SM-Tpye LCD_LAT - CN9 -> 11 M-Type
SM-EXP 보드의 MP3모듈 테스트 SM-EXP 보드의 MP3모듈 테스트 SM-EXP보드는 MP3모듈을 연결할 수 있고 핀맵은 아래와 같이 구성되어 있다. MP3모듈 회로도 커넥터 핀맵 수정사항 800mil용 SM-Type 모듈을 사용할 경우 SD_CS핀이 연결되어 있지 않기 때문에 CN8(5번핀 SD_CS)를 CN7(5번핀 PA5와 연결해 주어야 한다.
요리용 스탑워치 제작 요리용 스탑워치 제작 소형 FND모듈을 이용해서 요리시 필요한 스탑워치를 제작해 보았다.(아내의 강력한 요청에 의해서...) FND모듈 이용하고 스위치 및 Buzzer을 달고 시간 설정 및 예약 가능하도록 제작했다. 테스트 동영상
[EXP-ARM EVM] 보드 관련자료 [EXP-ARM EVM] 보드 관련자료 회로도
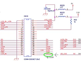
[STM32-48 EXP]GLCD 스펙 및 회로도 [STM32-48 EXP]GLCD 스펙 및 회로도 Datasheet : 저렴하고 소형의 그래픽 LCD라 STM32-48 확장보드 제작시 적용 해 봤는데... 128x64 dot 이고, ST7565V-G LCD Controller &Driver 를 사용하고 있다. 회로도 응용 회로도 www.findlcd.com 쇼핑몰 판매 하고 있다. 1만원 정도 인것 같은데...
[STM32-48_EXP] 확장보드 관련 자료 [STM32-48_EXP] 확장보드 관련 자료 소형 STM32-48 EVM보드 (STM32F103, STM32F101)의 테스트 용으로 만든 확장 보드 입니다. STM32의 모든 기능을 테스트 할때 편리하게 사용할 수 있지만 다른 MUC도 적용할 수 있도록 점퍼처리 되어 있습니다. 기능으로 기본 포트 모드 빠져 있고 FND, LED, LCD, IR, VR, 온도센서, MIC입력, Speaker출력, Switch, ISP확장 커넥터(DC모터/엔코더 보드, MP3보드) 테스트 가능합니다. 회로도:
TPS61040 PWM test TPS61040 PWM test PWM 테스트를 위해 White LED제어용으로 tps61040를 사용했는데... FB단자를 빼먹군... 수정이 필요하다.
다용도 타이머 제작 다용도 타이머 타이머를 하나 만들어 달라는데... 어떻게 만들지....? 고민하던 중에 예전 했던 프로젝트 박스를 뒤지다 FND를 및 스위치를 사용했던 PCB를 발견했다. 원래 용도와는 다르지만 좀만 수정하면 훌륭한 타이머가 되겠군... 하루 30분 정도 투자해서 타이머 하나 만들어야 겠다.