
STM32G4 시리즈는 최대 170Mhz로 구동되는 CortexM4 코어로 저렴하면서 성능도 좋은 MCU인것 같다.
기본 성능 테스트를 해 보자.
STM32CubeIDE 를 이용하여 STM32G4 프로젝트를 생성한다.

기본 핀 맵을 설정한다.

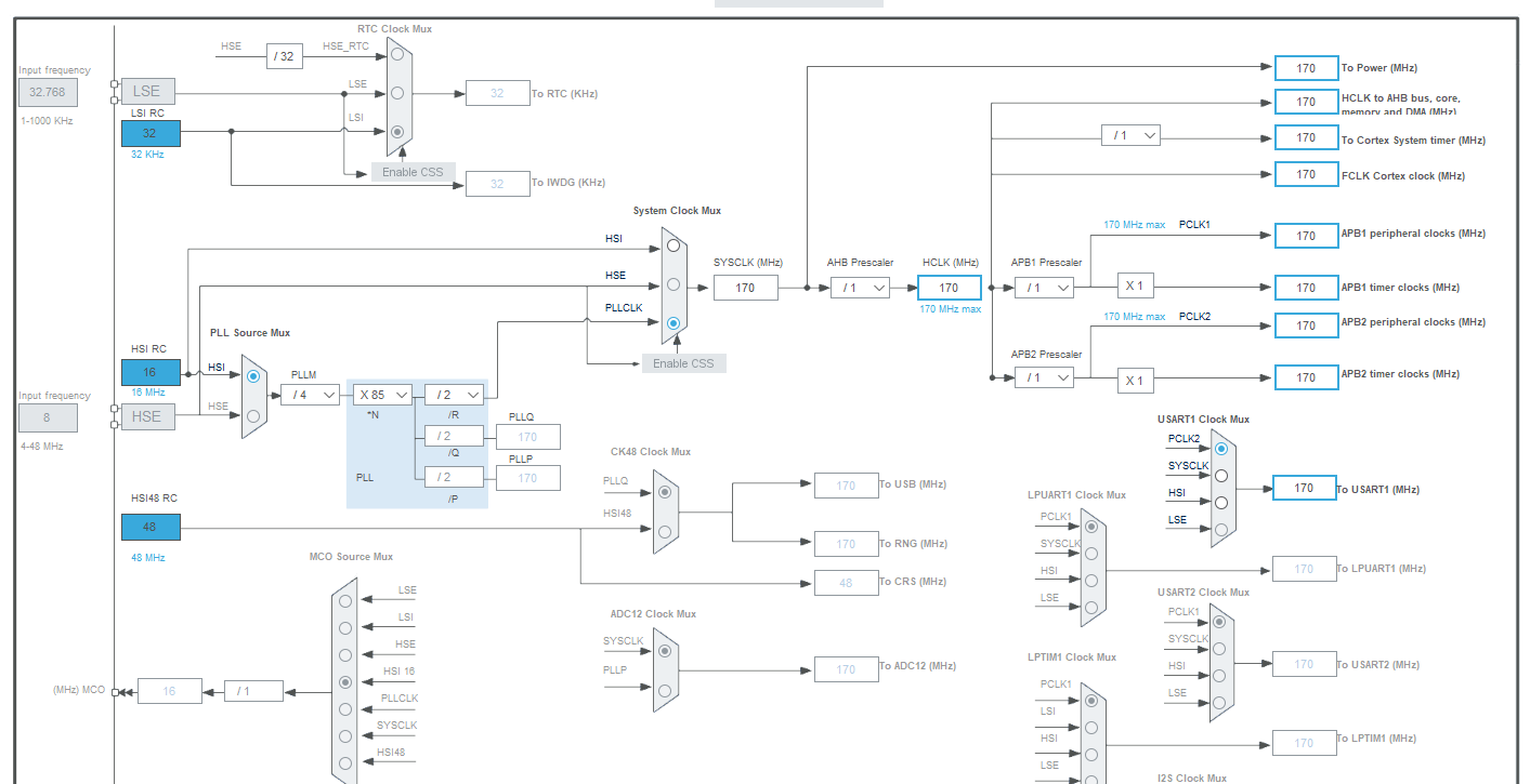
클럭설정은 최대 클럭인 170Mhz로 설정한다.

STM32G431 GPIO 토글 속도 테스트 소스코드
int main(void)
{
/* USER CODE BEGIN 1 */
/* USER CODE END 1 */
/* MCU Configuration--------------------------------------------------------*/
/* Reset of all peripherals, Initializes the Flash interface and the Systick. */
HAL_Init();
/* USER CODE BEGIN Init */
/* USER CODE END Init */
/* Configure the system clock */
SystemClock_Config();
/* USER CODE BEGIN SysInit */
/* USER CODE END SysInit */
/* Initialize all configured peripherals */
MX_GPIO_Init();
MX_USART1_UART_Init();
/* USER CODE BEGIN 2 */
/* USER CODE END 2 */
/* Infinite loop */
/* USER CODE BEGIN WHILE */
while (1)
{
/* USER CODE END WHILE */
/* USER CODE BEGIN 3 */
GPIOA->BSRR = GPIO_PIN_0;
GPIOA->BRR = GPIO_PIN_0;
}
/* USER CODE END 3 */
}
STM32G431 GPIO토글 속도는 7.5ns 정도로 측정된다.

반응형