
ESP32 모듈을 무선 기능을 가진 [xBee EVM] 형태의 핀맵으로 제작 했다. ESP8266 XBee 모듈보다 모든면에서 우수하기 때문에 다양한 응용분야에 적용할 수 있을것 같다.

표준화 핀맵을 사용하여 ESP2866에서 사용했던 ESP8266, ESP32용 다양한 확장 테스트 보드를 사용할 수 있다.


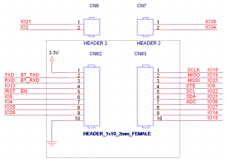
ESP32 모듈 회로도





반응형

ESP32 모듈을 무선 기능을 가진 [xBee EVM] 형태의 핀맵으로 제작 했다. ESP8266 XBee 모듈보다 모든면에서 우수하기 때문에 다양한 응용분야에 적용할 수 있을것 같다.

표준화 핀맵을 사용하여 ESP2866에서 사용했던 ESP8266, ESP32용 다양한 확장 테스트 보드를 사용할 수 있다.


ESP32 모듈 회로도




