
모든 유형의 써모커플을 입력 받을 수 있는 MAX31856 SSM 모듈 보드를 제작 했다.
SSM 타입의 표준 핀맵 보드라 다양한 확장 보드에서 테스트 가능하다.
기존에 제작했던 MAX31855 보다 가격은 상승하지만 분해능 및 성능이 향상된 제품이다.
특징
- 온도 분해능 0.0078125°C
- 최고 +1800°C 및 최저 -210°C
- 정확도 ±0.15%
- 전압 ±45V
- 룩업 테이블(LUT)은 선형성 보정 데이터를 저장
- 냉점보상
- 여러 유형의 열전대(K, J, N, R, S, T, E)
- 50Hz 및 60Hz의 라인 주파수 필터링
MAX31856 핀맵

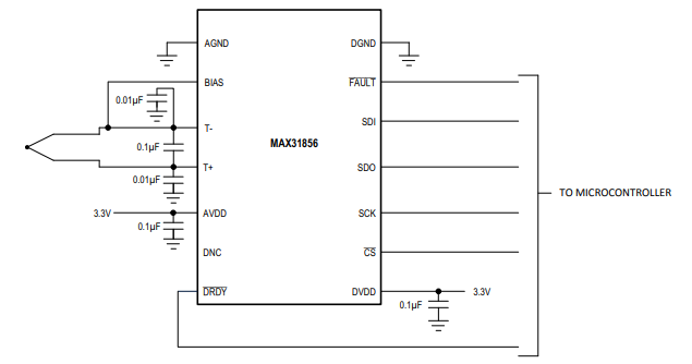
MAX31856 회로도


반응형